Доставка в пределах МКАД 1-2 дня - 1000 ₽
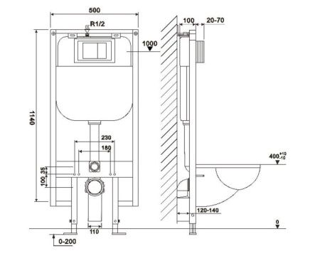
Сварная pама из НЕРЖАВЕЮЩЕЙ СТАЛИ с порошковой окраской, с повышенной толщиной 3мм!!! – гарантия долгой службы и устойчивости к коррозии. Максимальная возможная нагрузка – 400кг. Высоту установки инсталляции можно регулировать ножками, выдвижение которых возможно без интервалов от 0 до 200мм.
Для легкого крепления к стене, инсталляция комплектуется быстросъемными монтажными кронштейнами, угол поворота которых возможен на 360 градусов.
Подвод воды сверху слева.
Смывной бесшовный бачок из PND снизу имеет оболочку из пенопласта, предотвращающую образование конденсата, а также способствующую шумо-поглощению. Такой вид бачка исключает риск протечки.
Универсальное межосевое расстояние под шпильки для крепления унитаза 180/230 мм, что подходит для унитазов всех моделей и типоразмеров.
Сервисное обслуживание смывного бачка осуществляется через окно, находящееся за кнопкой смыва.
Технические данные:
Диаметр слива: 90 мм
Монтажная глубина: 135 мм
Монтажная высота: 1120 мм
Межосевое расстояние под крепеж. шпильки: 180 / 230 мм
Гидравлическое давление 0,1–10 бар
Максимальная температура воды 25 °C
Объем воды для смыва, заводская установка 6 и 3 л (возможна регулировка объема воды малого смыва от 3 до 4,5л, большого смыва от 6 до 7,5л). Общий объем воды в бачке – 10л
Расчетный расход воды 0,11 л/с
Минимальное гидравлическое давление для расчетного расхода 0,5 бар
Входит в комплект:
2 резьбовые шпильки M12
Крепеж
Стоимость действительна при приобретении кода 7831 совместно с кодом 9910, в состав которого входят:
-соединительное колено 90° из ПНД, ø 90 мм
- переходная муфта из ПНД, ø 90/110 мм
Внимание! Производитель оставляет за собой право вносить изменения в конструкцию и комплектацию моделей без предварительного уведомления!
Для покупки товара в нашем интернет-магазине выберите понравившийся товар и добавьте его в корзину. Далее перейдите в Корзину и нажмите на «Оформить заказ» или «Быстрый заказ».
Когда оформляете быстрый заказ, напишите ФИО, телефон и e-mail. Вам перезвонит менеджер и уточнит условия заказа. По результатам разговора вам придет подтверждение оформления товара на почту или через СМС. Теперь останется только ждать доставки и радоваться новой покупке.
Оформление заказа в стандартном режиме выглядит следующим образом. Заполняете полностью форму по последовательным этапам: адрес, способ доставки, оплаты, данные о себе. Советуем в комментарии к заказу написать информацию, которая поможет курьеру вас найти. Нажмите кнопку «Оформить заказ».
Оплачивайте покупки удобным способом. В интернет-магазине доступно 3 варианта оплаты:
- Наличные при самовывозе или доставке курьером. Специалист свяжется с вами в день доставки, чтобы уточнить время и заранее подготовить сдачу с любой купюры. Вы подписываете товаросопроводительные документы, вносите денежные средства, получаете товар и чек.
- Безналичный расчет при самовывозе или оформлении в интернет-магазине: карты Visa и MasterCard. Чтобы оплатить покупку, система перенаправит вас на сервер системы ASSIST. Здесь нужно ввести номер карты, срок действия и имя держателя.
- Электронные системы при онлайн-заказе: PayPal, WebMoney и Яндекс.Деньги. Для совершения покупки система перенаправит вас на страницу платежного сервиса. Здесь необходимо заполнить форму по инструкции.
- Стоимость доставки в пределах МКАД: Заказ до 150 000 ₽ — 1000 ₽.
- Заказ от 150 000 ₽ — бесплатно.
К указанной выше стоимости добавляется 45 ₽ за каждый километр от МКАД.
Время доставки:
Основной интервал: с 10:00 до 22:00.
Как проходит доставка:
После поступления товара на склад с вами свяжется наш специалист для уточнения адреса и выбора удобного интервала доставки.
Доставка осуществляется до подъезда. Возможен подъем в квартиру — стоимость и условия подъема уточняйте у менеджера при подтверждении заказа.
При получении обязательно осмотрите внешний вид упаковки на целостность. Рекомендуем проверить комплектацию товара.
Ежедневно с 10:00 до 19:00
Как получить заказ:
Выберите пункт самовывоза при оформлении заказа в корзине.
Важно: В выставочном зале представлен не весь ассортимент сайта. Товары на складе находятся в заводской упаковке, которую можно вскрыть для проверки только после оформления покупки.
Итоговая стоимость доставки рассчитывается ТК индивидуально, исходя из габаритов, веса груза и удаленности вашего города.
Как получить заказ:
Когда заказ прибудет в выбранное отделение ТК, вам придет смс-оповещение.
Перед получением и подписанием документов обязательно оцените состояние коробки (целостность, вес). При обнаружении повреждений на месте необходимо составить акт с представителем ТК и сделать фотографии. Это основание для гарантийного случая.
